产品概述

HF_THMA_08C八路通用热电偶采集器
HF_THMA_08C是一款高性能的热电偶温度采集模块,专为工业现场的温度监控而设计。该模块采用先进的32位ARM处理器和24位高精度ADC采集芯片,确保温度数据的准确性和稳定性。同时,内置双冷端补偿温度传感器,有效消除热电偶冷端温度变化对测量精度的影响。通过Modbus网络,HF_THMA_08C能够轻松实现与PLC、计算机等主机的数据通信,满足分布式温度采集的需求。
技术特点
1.高精度采集:采用24位ADC采集芯片,确保温度数据的采集精度。
2.冷端补偿:内置高精度冷端补偿温度传感器,自动进行冷端温度补偿,提高测量准确性。
3.强大的处理能力:32位ARM处理器提供强大的数据处理能力,确保模块稳定运行。
4.分布式采集:通过Modbus网络,实现多个HF_THMA_08C模块的分布式采集,方便构建大型温度监控系统。
5.多种热电偶支持:通过设置内部寄存器,可实现K、T、E、R、J、S、B共7种热电偶的输入,满足多种测温需求。
应用场景
工业自动化 在生产线、车间等工业环境中,对设备、材料等进行高精度温度监控,确保生产过程的稳定性和安全性。
环境监测 在气象站、实验室等场所,对环境温度进行实时监测,为科学研究、环境监测等提供准确的数据支持。
电力系统 在变电站、发电厂等电力系统中,对关键设备进行温度监控,预防因温度过高导致的设备故障。
冶金行业 在冶金过程中,对炉温、钢水温度等进行实时监测,确保冶金过程的顺利进行。
其他行业,比如 远程数据采集, 过程监控, 工业过程控制, 能源管理, 监控, 安全系统, 实验室自动化, 楼宇自动化等行业。
相关参数
通讯接口 | RS485 |
通讯协议 | Modbus RTU |
通讯波特率 | 9600、14400、19200、28800、38400、57600、115200 |
采集通道 | 8 |
采集频率 | 单路100毫秒,8路小于1秒 |
热电偶类型 | 支持K/T/E/R/J/S/B型热电偶 |
测量精度 | ±1℃ |
测量分辨率 | 0.1℃ |
冷端精度 | 【0℃----60℃】±0.2℃ 【-20℃--80℃】±0.4℃ 【-40℃-120℃】±0.6℃ |
工作电压 | 9V-32V |
电流 | 24V/10mA |
工作温度 | -30℃~60℃ |
测量范围
热电偶类型 | 测量范围 |
K型热电偶 | -200℃ 至 1370℃ |
T型热电偶 | -270℃ 至 400℃ |
E型热电偶 | -270℃ 至 1000℃ |
R型热电偶 | -50℃ 至 1768℃ |
J型热电偶 | -210℃ 至 1200℃ |
S型热电偶 | -50℃ 至 1768℃ |
B型热电偶 | 0℃ 至 1820℃ |
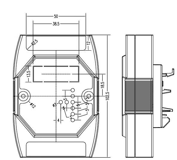
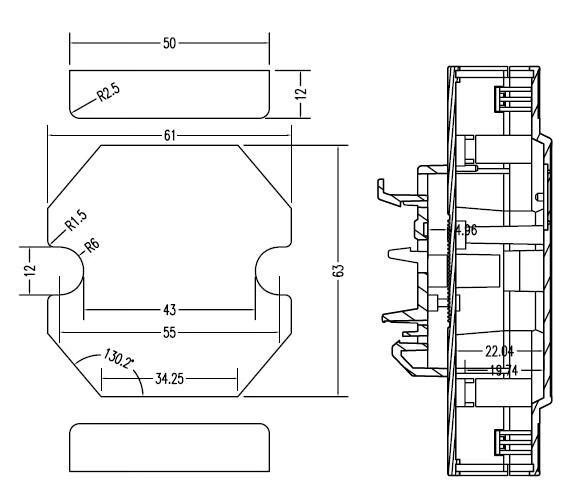
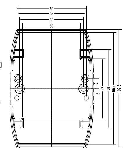
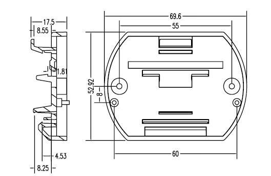
机械尺寸

结构尺寸1

结构尺寸2

结构尺寸3

结构尺寸4
硬件安装

接口说明
接口标识 | 描述 |
VCC | 电源输入9V-36V,建议电压9V-30V,可以和GND交换使用 |
GND | 电源输入负极,可以和VCC交换使用 |
A | RS485差分正输入 |
B | RS485差分负输入 |
CH1+ | 热电偶通道1,正输入 |
CH1- | 热电偶通道1,负输入 |
CH2+ | 热电偶通道2,正输入 |
CH2- | 热电偶通道2,负输入 |
CH3+ | 热电偶通道3,正输入 |
CH3- | 热电偶通道3,负输入 |
CH4+ | 热电偶通道4,正输入 |
CH4- | 热电偶通道4,负输入 |
CH5+ | 热电偶通道5,正输入 |
CH5- | 热电偶通道5,负输入 |
CH6+ | 热电偶通道6,正输入 |
CH6- | 热电偶通道6,负输入 |
CH7+ | 热电偶通道7,正输入 |
CH7- | 热电偶通道7,负输入 |
CH8+ | 热电偶通道8,正输入 |
CH8- | 热电偶通道8,负输入 |
寄存器地址
描述 | 寄存器地址 | 属性 | 备注 |
设备地址 | 0x14 | W | 1至247。 |
热电偶类型 | 0x15 | R/W | 0对应K类型的热电偶; 2对应T类型的热电偶; 3对应E类型的热电偶; 4对应R类型的热电偶; 5对应J类型的热电偶; 6对应S类型的热电偶; 7对应B类型的热电偶; |
通讯速率 | 0x16 | R/W | 设置0,表示9600; 设置1,表示14400; 设置2,表示19200; 设置3,表示28800; 设置4,表示38400; 设置5,表示 57600; 设置6,表示 115200; |
温度通道1 | 0x64 | R | 数据类型int16,数据除以10为实际温度值。 |
温度通道2 | 0x65 | R | 数据类型int16,数据除以10为实际温度值。 |
温度通道3 | 0x66 | R | 数据类型int16,数据除以10为实际温度值。 |
温度通道4 | 0x67 | R | 数据类型int16,数据除以10为实际温度值。 |
温度通道5 | 0x68 | R | 数据类型int16,数据除以10为实际温度值。 |
温度通道6 | 0x69 | R | 数据类型int16,数据除以10为实际温度值。 |
温度通道7 | 0x6a | R | 数据类型int16,数据除以10为实际温度值。 |
温度通道8 | 0x6b | R | 数据类型int16,数据除以10为实际温度值。 |
通道1偏移量 | 0x1e | R/W | 数据类型int16,数据除以10为实际偏移量。 |
通道2偏移量 | 0x1F | R/W | 数据类型int16,数据除以10为实际偏移量。 |
通道3偏移量 | 0x20 | R/W | 数据类型int16,数据除以10为实际偏移量。 |
通道4偏移量 | 0x21 | R/W | 数据类型int16,数据除以10为实际偏移量。 |
通道5偏移量 | 0x22 | R/W | 数据类型int16,数据除以10为实际偏移量。 |
通道6偏移量 | 0x23 | R/W | 数据类型int16,数据除以10为实际偏移量。 |
通道7偏移量 | 0x24 | R/W | 数据类型int16,数据除以10为实际偏移量。 |
通道8偏移量 | 0x25 | R/W | 数据类型int16,数据除以10为实际偏移量。 |
简单测试

PC端测试软件
热电偶采集模块默认的波特率是9600,默认设备地址为1,连接时,设备的波特率和上位机波特率必须一致。
软件共支持8个设备,64路数据采集。
wavform 可以开关每一路的波形显示。
offset 可以修正温度值。
single 可以单次读取温度值。
Start 定时读取温度值
Interval 定时读取间隔,单位秒。
Connect 连接串口
Read 读取电热偶类型,设备地址和波特率要求设置正确
Write 设置设备地址,热电偶类型,波特率。当前波特率要和设备波特率一致,修改后,重新用新的波特率连接。